1653nm 40mW DFB laserová dióda pre metánový senzor Snímanie CH4 využíva planárnu konštrukciu s čipom na subnosnej. Vysokovýkonný čip je hermeticky uzavretý v 14-pinovom motýlikovom obale bez epoxidu a taviva a je vybavený termistorom, termoelektrickým chladičom a monitorovacou diódou na zabezpečenie vysokokvalitného výkonu lasera. Naše laserové produkty sú kvalifikované pre Telcordia GR-468 a sú v súlade so smernicami RoHS.
1653nm 40mW DFB laserová dióda pre metánový senzor Snímanie CH4 využíva planárnu konštrukciu s čipom na subnosnej. Vysokovýkonný čip je hermeticky uzavretý v 14-pinovom motýlikovom obale bez epoxidu a taviva a je vybavený termistorom, termoelektrickým chladičom a monitorovacou diódou na zabezpečenie vysokokvalitného výkonu lasera. Naše laserové produkty sú kvalifikované pre Telcordia GR-468 a sú v súlade so smernicami RoHS.
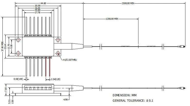
Priemyselný štandardný 14-kolíkový motýlik;
Vstavaný TEC a optický izolátor;
Vysokovýkonný laser s multikvantovou jamou (MQW) s distribuovanou spätnou väzbou (DFB).
Testovanie výroby pasívnych komponentov na detekciu plynov;
Systém detekcie plynov z vlákien;
Laserové zdroje.
| Parameter | Symbol | Podmienka | Min. | Typ. | Max. | Jednotka |
| Stredová vlnová dĺžka | λc | TL=15~35℃ CW | 1652.7 | 1653.7 | 1654.7 | nm |
| Optický výstupný výkon | Po | CW | - | 40 | - | mW |
| LD Prahový prúd | ITH | CW | - | 15 | 40 | mA |
| LD Dopredný prúd | Ak | Pf = menovitý výkon | - | 300 | 400 | mA |
| Optická izolácia | - | -10 < TC < +70 °C | 30 | - | - | dB |
| Pomer potlačenia bočného režimu | SMSR | CW | 35 | 40 | - | dB |
| Monitorujte odozvu | Im /Pf | - | - | 1 | 20 | uA/mW |
| Sledujte stabilitu odozvy | - | - | - | - | 20 % | - |
| Monitorujte tmavý prúd | Id | VPD = 5 V | - | - | 50 | nA |
| Prúd TEC | ITEC | Tcase = 75 ℃ | - | - | 2 | A |
| TEC napätie | VTEC | Tcase = 75 ℃ | - | - | 3.5 | V |
| TEC spotreba energie | P | Tstg = 25 °C | - | - | 5 | W |
| Odpor termistorov | Rth | Tcase = 75 ℃ | 9.5 | 10 | 10.5 | Kohm |
| Konštantný termistor B | Bth | Tstg = 25 °C | - | 3900 | - | K |
| Posun vlnovej dĺžky (EOL) | △λ | Testované počas 25-ročnej životnosti | - | - | ±0,1 | nm |
| Vlna. Teplotný koeficient | Δλ/ΔT | Teplota TEC pri 15 ℃ až 35 ℃ | - | 0.09 | - | nm/°C |
| Vlnová dĺžka Koeficient prúdu | Δλ/ΔΙ | - | - | 0.01 | - | nm/mA |

Všetky produkty boli pred odoslaním testované;
Všetky produkty majú 1-3 ročnú záruku. (Po uplynutí záručnej doby kvality sa začal účtovať príslušný servisný poplatok.)
Ceníme si vaše podnikanie a ponúkame vám možnosť okamžitého vrátenia tovaru do 7 dní. (7 dní po obdržaní položiek);
Ak položky, ktoré si zakúpite v našom obchode, nemajú dokonalú kvalitu, to znamená, že nefungujú elektronicky podľa špecifikácií výrobcu, jednoducho nám ich vráťte na výmenu alebo vrátenie peňazí;
Ak sú položky chybné, oznámte nám to do 3 dní od doručenia;
Všetky položky musia byť vrátené v pôvodnom stave, aby ste mali nárok na vrátenie peňazí alebo výmenu;
Kupujúci je zodpovedný za všetky vzniknuté prepravné náklady.
Otázka: Aká je presnosť vlnovej dĺžky?
A: +/-0,5 nm.
Otázka: Máte iné verzie výstupného výkonu?
A: 10 mW, 15 mW, 50 mW.
1512nm 10mW DFB 14pinový motýľový laser pre snímanie NH3
1392nm DFB Butterfly laserová dióda pre snímanie vlhkosti H2O
1653nm DFB motýľová laserová dióda pre detekciu CH4
1567nm DFB motýľová laserová dióda na snímanie CO
1578nm 10mW DFB laserová dióda na detekciu sírovodíka
1580nm DFB motýľová laserová dióda na detekciu CO2Copyright @ 2020 Shenzhen Box Optronics Technology Co., Ltd. - Čína moduly optických vlákien, výrobcovia laserov spojených s vláknom, dodávatelia laserových komponentov Všetky práva vyhradené.